전기·정보통신설계

전기·정보통신설계

HIMEC 전기·정보통신설계 분야는 전문화된 인력과 시스템으로 
전기 및 정보통신 설비 설계전반에 걸친
종합적이고 체계적인 컨설팅 서비스를 제공합니다.

하이멕 전기사업부는 안전성, 효율성, 신뢰성을 최우선으로 건축물의 인프라인 수전설비, 조명, 네트워크 설비 등을 계획하고 설계합니다.
전기설비설계 전문인력과 체계적인 시스템으로 고객만족을 최우선으로 전기 & 통신 설계 통합 솔루션을 제공해 드립니다.

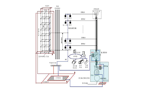
ELECTRICAL & ICT SYSTEM ENGINEERING

전기설계

  • 수변전설비
  • 전력간선 및 동력설비
  • 전등 및 전열설비
  • 피뢰 및 접지설비

정보통신설계

  • 통합배선 및 LAN설비
  • CATV 설비
  • 주차관제설비

전력분석

  • Arc Flash
  • Relay Coordination
  • Harmonic Analysis
  • Short Circuit Calculation

특수설계

  • 통합보안컨설팅
  • 특수조명 및 음향설비
  • BIM 설계 ( 3D Modeling )

전력 계통 분석

Power System Analyst


  • 단략전류 계산   Short Circuit Study

  • 전력 조류 분석   Load Flow Analysis

  • 절연보호 협조  Insulation Coordination Study

  • 전동기 가동   Motor Starting Analysis

  • 고조파 분석   Harmonic Study

  • 아크 플래쉬   Arc Flash Analysis

  • 보호계전기 정정   Protective Device Coordination Study

접지 및 피뢰설비

Ground & Lighting Protection System


특수조명설비

Special Lighting System


통합 보안 컨설팅

Integrated Security Solution


음향 및 영상설비

Audio & Video System


태양광 발전설비

Photovoltaic System


BIM

Building Information Modeling


SNS Share 페이스북 공유하기트위터 공유하기네이버 공유하기